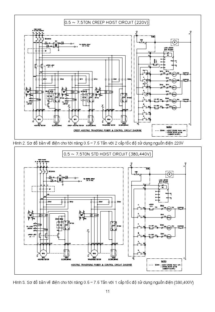
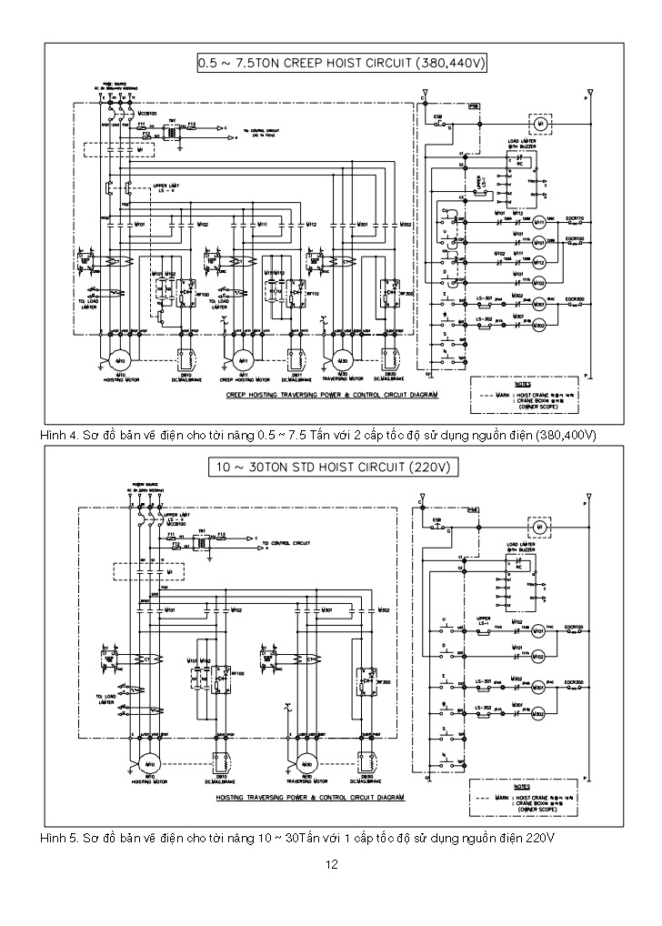
Mạch điện palang hàn quốc
Tổng hợp mạch điều khiển palang Hàn Quốc đối với các hãng KGCRANE, KUKDONG, SUNGDO, BANDO, HYUNDAI có sơ đồ mạch điện là tương đối giống nhau.




Viết bởi Mr Sinh 0918.088.078
Tổng hợp mạch điều khiển palang Hàn Quốc đối với các hãng KGCRANE, KUKDONG, SUNGDO, BANDO, HYUNDAI có sơ đồ mạch điện là tương đối giống nhau.




Viết bởi Mr Sinh 0918.088.078